TRIC
Raccords pour le collage - réductions.
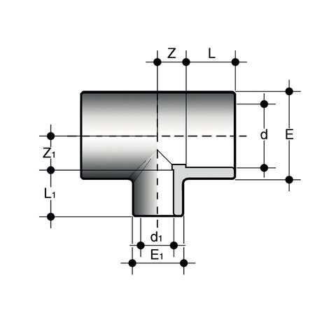
Embout réduit en Ti 90° pour le collage avec dérivation réduite.
Série de raccords destinés au transport de fluides sous pression avec un système de connexion par soudage chimique à froid utilisant un adhésif approprié (TemperGLUE WELD-ON) et un détergent primaire.
| Référence | product.detail.attribute.d x d[5:1] | product.detail.attribute.PN | product.detail.attribute.E | product.detail.attribute.E[5:1] | product.detail.attribute.L | product.detail.attribute.L[5:1] | product.detail.attribute.Z | product.detail.attribute.Z[5:1] | product.detail.attribute.g | product.detail.attribute.[["d x d[5:1]" |
|---|---|---|---|---|---|---|---|---|---|---|
| TRIC025020 | 25 x 20 | 16 | 33 | 28 | 19 | 16 | 14 | 14 | 41 | - |
| TRIC032020 | 32 x 20 | 16 | 41 | 28 | 22 | 16 | 17,5 | 17,5 | 66 | - |
| TRIC032025 | 32 x 25 | 16 | 41 | 34 | 22 | 19 | 17,5 | 17,5 | 72 | - |
| TRIC040020 | - | - | - | - | - | - | - | - | - | 40 x 20] |
| TRIC040025 | 40 x 25 | 16 | 50 | 34 | 26 | 19 | 22 | 22 | 111 | - |
| TRIC050025 | 50 x 25 | 16 | 61 | 35 | 31 | 19 | 27 | 27 | 176 | - |
| TRIC050032 | 50 x 32 | 16 | 61 | 42 | 31 | 22 | 27 | 27 | 182 | - |
| TRIC063025 | 63 x 25 | 16 | 76 | 36 | 38 | 19 | 33,5 | 33,5 | 320 | - |
| TRIC063032 | 63 x 32 | 16 | 76 | 43 | 38 | 22 | 33,5 | 33,5 | 325 | - |
| TRIC075025 | 75 x 25 | 16 | 91 | 33 | 44 | 16 | 40,5 | 39 | 470 | - |
| TRIC090025 | 90 x 25 | 16 | 109 | 33 | 51 | 16 | 48,5 | 46 | 773 | - |
| TRIC110025 | 110 x 25 | 16 | 133 | 33 | 61 | 16 | 61 | 56 | 1170 | - |