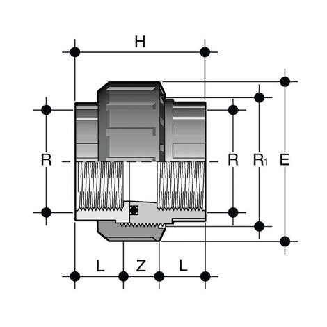
BFV - Union
Union with BSP threaded female ends, O-Ring in EPDM or FKM.
Series of fittings for pipes conveying fluids under pressure with threaded joints.
| Reference | R | R1 | PN | E | H | L | Z | g |
|---|---|---|---|---|---|---|---|---|
| BFV038E | 3/8" | 3/4" | 16 | 33 | 40 | 11.4 | 17.2 | 22 |
| BFV012E | 1/2" | 1" | 16 | 41 | 46 | 15 | 16 | 35 |
| BFV034E | 3/4" | 1"1/4 | 16 | 50 | 51 | 16.3 | 18,4 | 65 |
| BFV100E | 1" | 1"1/2 | 16 | 58 | 57 | 19,1 | 18.8 | 85 |
| BFV114E | 1"1/4 | 2" | 16 | 72 | 65 | 21.4 | 22.2 | 145 |
| BFV112E | 1"1/2 | 2"1/4 | 16 | 79 | 65 | 21.4 | 22.2 | 180 |
| BFV200E | 2" | 2"3/4 | 16 | 98 | 78 | 25.7 | 26.6 | 325 |