FKOF/CE 24V AC/DC - Electrically actuated butterfly valve DN 40:100
Butterfly valve with electric actuator 24 V AC/DC.
The FK is a butterfly valve for shutting off and regulating flow, with structural characteristics that make it ideal for industrial applications requiring high performance and long-term reliability.
In addition to the manually actuated version, FK is also available in FK/CE electrically actuated and FK/CP pneumatically actuated configurations. FK/CE and FK/CP are constructed with actuators meeting current regulations and selected by FIP according to their quality and reliability requirements. The efficiency of these valves, tested according to the company’s quality standards, is guaranteed by the expertise and know-how that FIP dedicates to manufacturing its products.
Main features:
- Electric actuator constructed according to FIP specifications; with plastic shell and standard emergency override. Available with voltages from 12 to 240V.
- Rack & pinion type pneumatic actuator constructed according to FIP specifications: fully protected against weather corrosion available in double-acting (DA) or simple-acting normally closed (NC) or normally open (NO) versions.
- Square section stailnless steel stem completely isolated from the fluid.
- Body in fibreglass reinforced polypropylene based compound (PP-GR) UV resistant and characterised by high mechanical resistance.
- Drilling pattern with oval slots that allow coupling to flanges according to numerous international standards. The special self-centring inserts in ABS supplied for DN 40÷200 guarantee the correct axial alignment of the valve during installation. For DN 250÷400 valves, the drilling pattern for the self-centring system is of the traditional type according to DIN and ANSI standards.
- Interchangeable liner with the dual function of forming a hydraulic seal and isolating the body from the fluid.
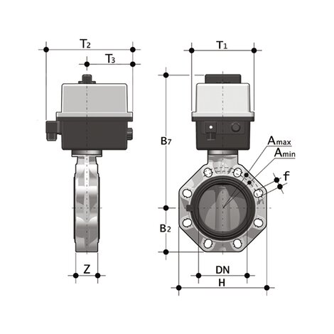
| Reference | d | DN | PN | B2 | H | Z | A[5:min] | A[5:max] | f | U | B[5:7] | T[5:1] | T[5:2] | T[5:3] | g |
|---|---|---|---|---|---|---|---|---|---|---|---|---|---|---|---|
| FKOFEL050F | 50-1''1/2 | 40 | 16 | 60 | 132 | 33 | 99 | 109 | 19 | 4 | 253 | 92 | 189 | 91 | 2174 |
| FKOFEL063F | 63-2'' | 50 | 16 | 70 | 147 | 43 | 115 | 125,5 | 19 | 4 | 259 | 92 | 189 | 91 | 2354 |
| FKOFEL075F | 75-2''1/2 | 65 | 10 | 80 | 165 | 46 | 128 | 144 | 19 | 4 | 266 | 92 | 189 | 91 | 2600 |
| FKOFEL090F | 90-3'' | 80 | 10 | 93 | 185 | 49 | 145 | 160 | 19 | 12 | 308 | 128 | 204 | 95,5 | 4350 |
| FKOFEL110F | 110-4'' | 100 | 10 | 107 | 211 | 56 | 165 | 190 | 19 | 8 | 322 | 128 | 204 | 95,5 | 4700 |
- PVC-U, PVCC, PP-H, ABS and PVDF through shaft disk
- Overall dimensions of the valve in accordance with standard ISO 5752 (DN 40÷200 Medium Series 25, DN 250÷300 Long Series 16) and DIN 3202 K2 and ISO 5752 (DN 65÷200 K2, DN 250÷300 K3)
- Can also be installed as an end line valve, bottom discharge valve or tank dump valve
- Special Lug version PN 10 fully drilled to DIN 2501 or ANSI B16.5 cl.150 with molded-in AISI 316 stainless steel threaded inserts
- Valve material compatibility with water conveyance, drinking water and other food substances according to current regulations
- Possibility of installing pneumatic and/or electric actuators by applying ISO standard drilling PP-GR flanges. DN 40÷200 valve fitted with plate with rack in PP-GR. For actuated versions with flange drilled according to ISO 5211 F05, F07, F10. DN 250÷400 valve, fitted with one-piece top flange in high mechanical strength PP-GR with mounting flange for internal components drilled according to standard ISO 5211 F10 (excluding DN 350÷400), F12, F14.