ODB - Flange ISO-DIN series
Steel core backing ring, PP/FRP coated, according to EN/ISO/DIN for stub QRNM. Drilling: PN 10/16.
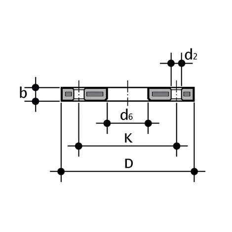
| Reference | d | DN | *PMA (bar) | b | d2 | d6 | D | K | M | n | **Nm | g |
|---|---|---|---|---|---|---|---|---|---|---|---|---|
| ODB355 | *355 | 350 | 10 | 39 | 22 | 376 | 505 | 460 | M20 | 16 | 120 | 15580 |
| ODB400 | *400 | 400 | 10 | 44 | 26 | 429.5 | 570 | 515 | M24 | 16 | 140 | 19890 |
| ODB450 | *450 | 500 | 10 | 44 | 26 | 517 | 670 | 620 | M24 | 20 | 150 | 26010 |
| ODB500 | *500 | 500 | 10 | 44 | 26 | 532.5 | 670 | 620 | M24 | 20 | 150 | 25310 |
| ODB560 | *560 | 600 | 10 | 50 | 30 | 618 | 799 | 725 | M27 | 20 | 170 | 49500 |
| ODB630 | *630 | 600 | 10 | 50 | 30 | 645 | 799 | 725 | M27 | 20 | 170 | 41190 |
PMA maximum admissible working pressure
**nominal tightening torque
n = number of bolts
*resale products